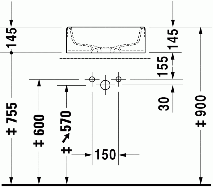
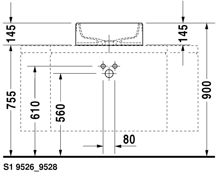
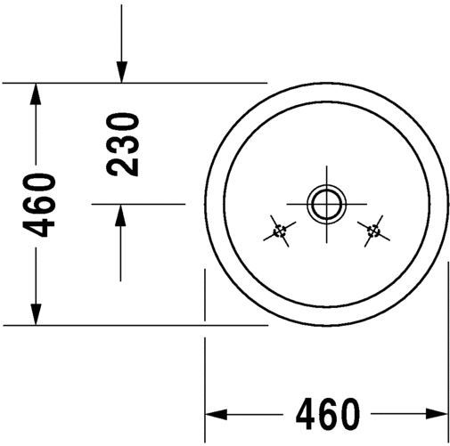
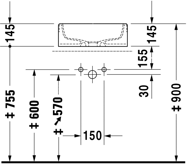
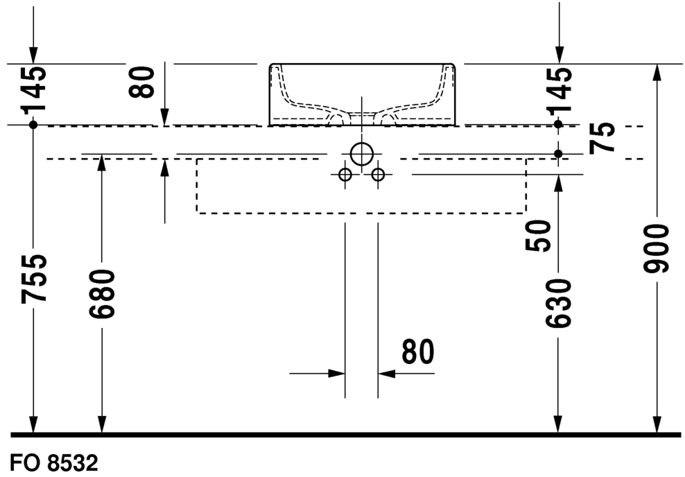
geschliffen, ohne Überlauf, Befestigung inklusive, ohne Hahnlochbank
Größe:Ø 460 mm
Varianten:ohne Hahnloch
© Schmoock Design