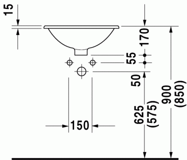
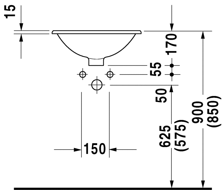
für Einbau von oben, mit Überlauf, ohne Hahnlochbank, Unterseite glasiert
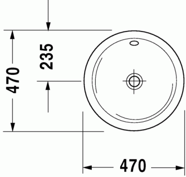
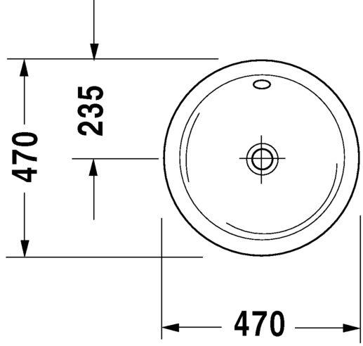
Größe:Ø 470 mm
Varianten:ohne Hahnloch
© Schmoock Design