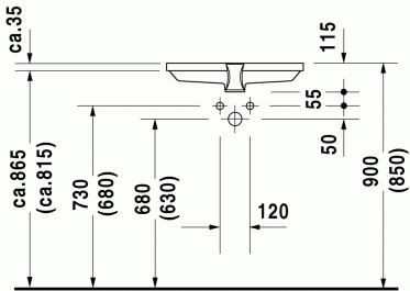
für Einbau von unten, mit Überlauf, ohne Hahnlochbank, Befestigung inklusive
Größe:525 x 380 mm
Varianten:ohne Hahnloch
© Schmoock Design