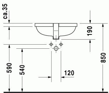
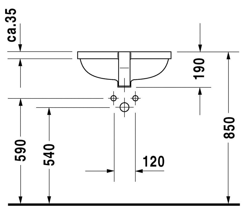
für Einbau von unten, mit Überlauf, mit Hahnlochbank, Befestigung für Einbau in Holzkonsolen inklusive
Größe:525 x 400 mm
Varianten:1 Hahnloch durchgestochen3 Hahnlöcher durchgestochen
© Schmoock Design