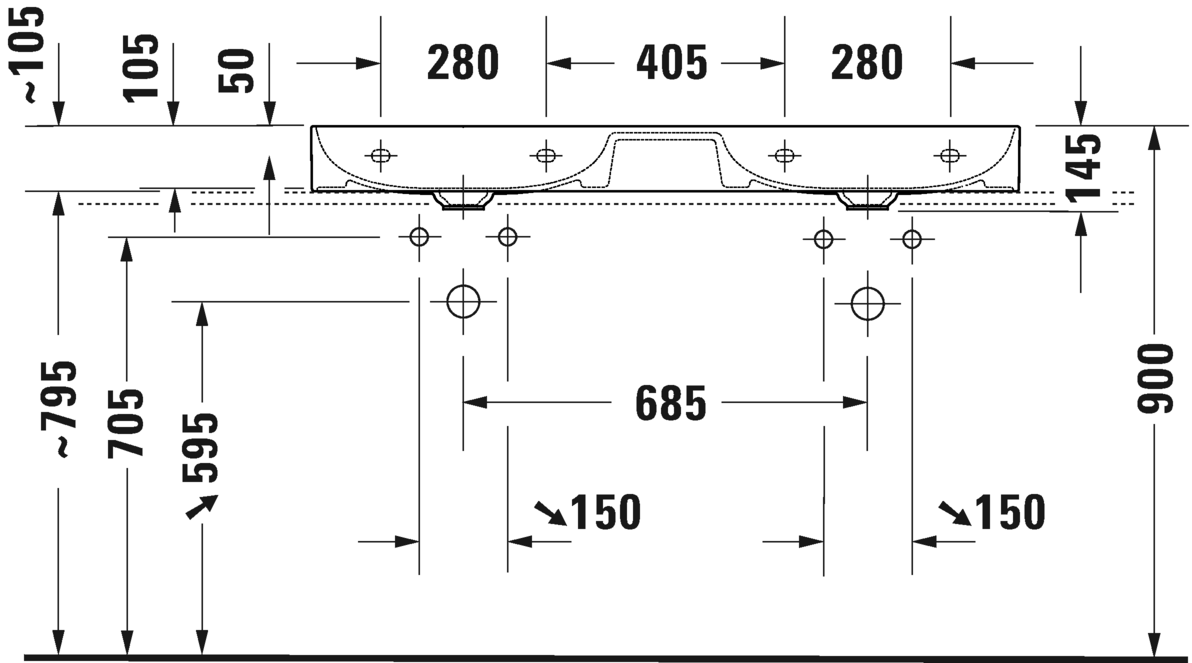
ohne Überlauf, mit Hahnlochbank, Schaftventil mit keramischer Ventilabdeckhaube inklusive, Befestigung inklusive
Größe:1200 x 470 mm
Varianten:1 Hahnloch durchgestochen3 Hahnlöcher durchgestochenohne Hahnloch
© Schmoock Design