Darling New

Tiefspüler, Durafix inklusive, EWL Klasse 1

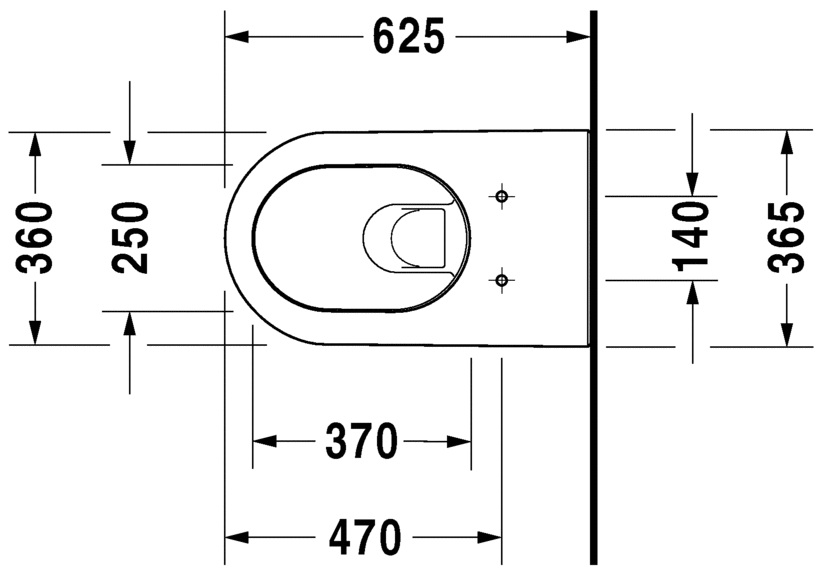
Größe:
370 x 625 mm

Varianten:
4,5 l