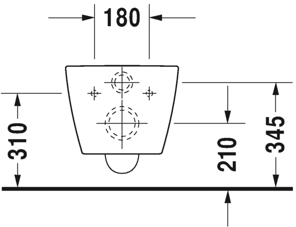
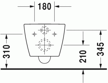
rimless, Tiefspüler, Durafix inklusive, EWL Klasse 1
Größe:370 x 570 mm
Varianten:4,5 l
© Schmoock Design