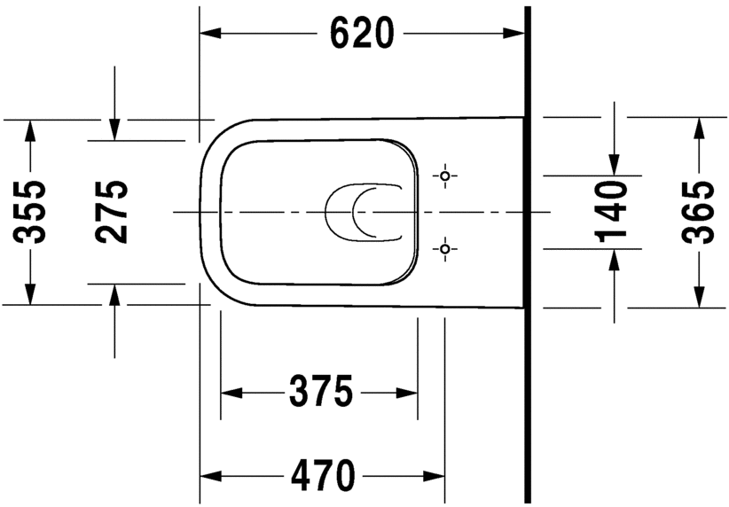
rimless, Tiefspüler, Durafix inklusive, EWL Klasse 1
Größe:365 x 620 mm
Varianten:4,5 l
© Schmoock Design