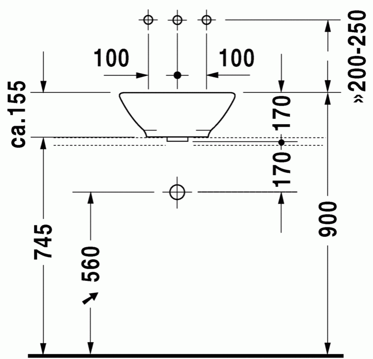
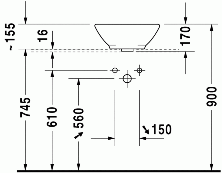
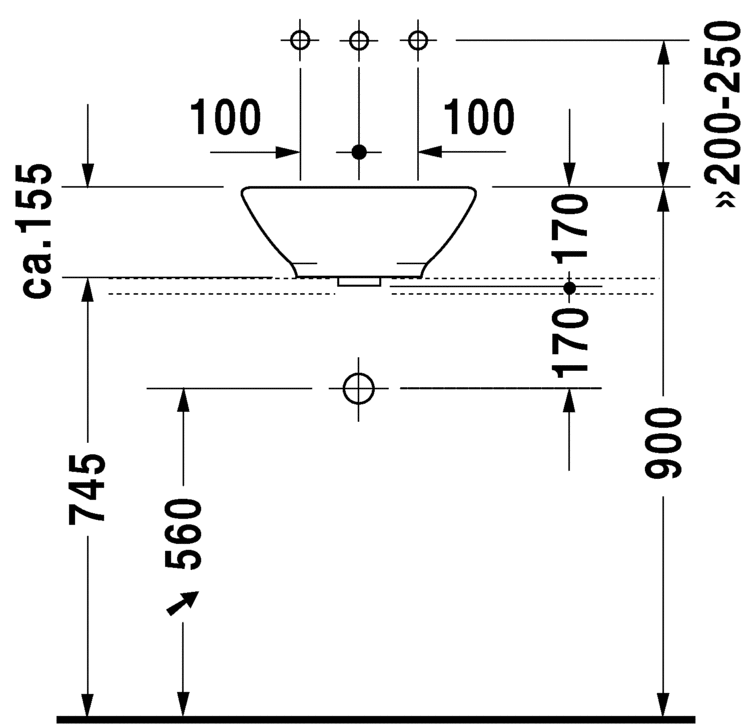
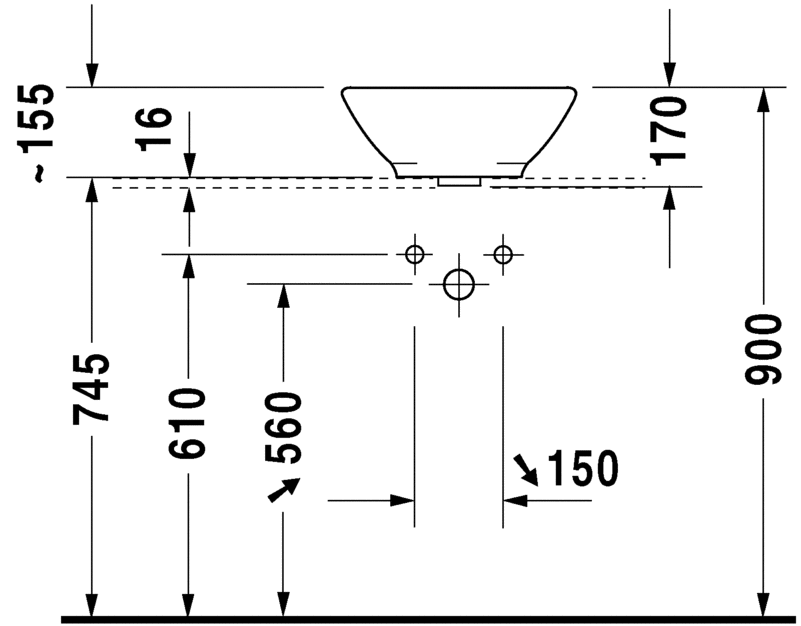
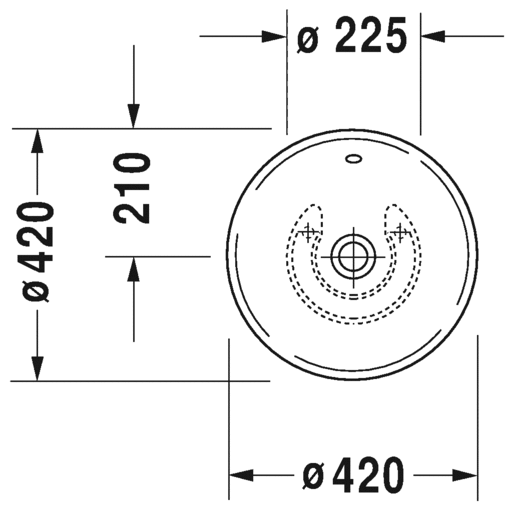
mit Überlauf, ohne Hahnlochbank, Überlaufclip Chrom inklusive, Befestigung inklusive
Größe:Ø 420 mm
Varianten:ohne Hahnloch
© Schmoock Design