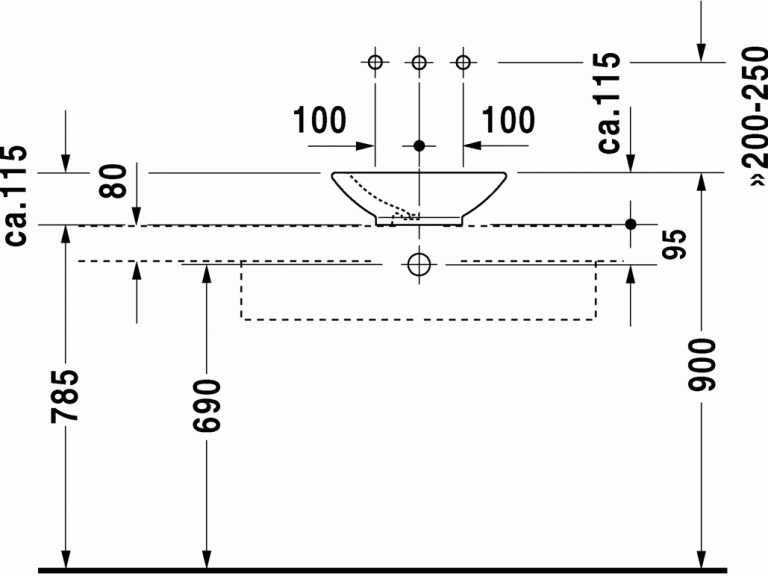
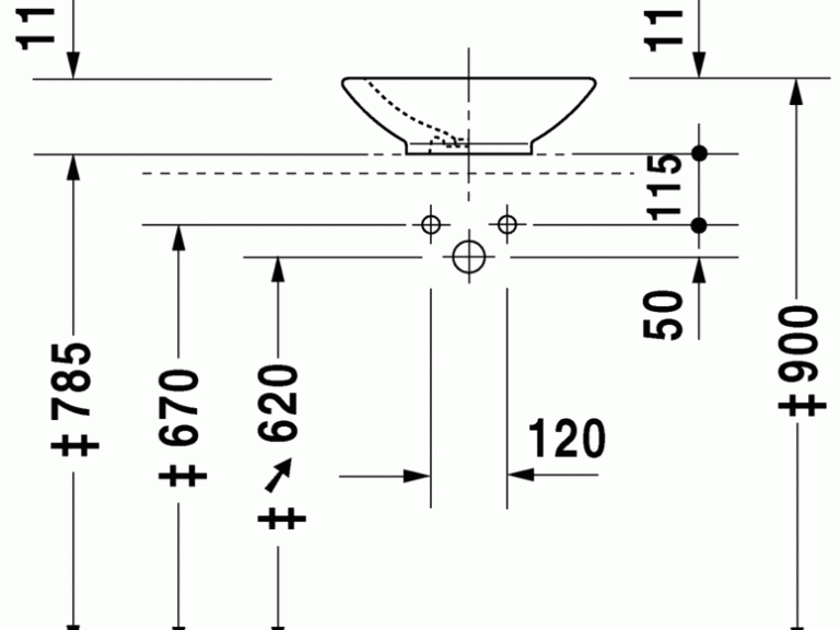
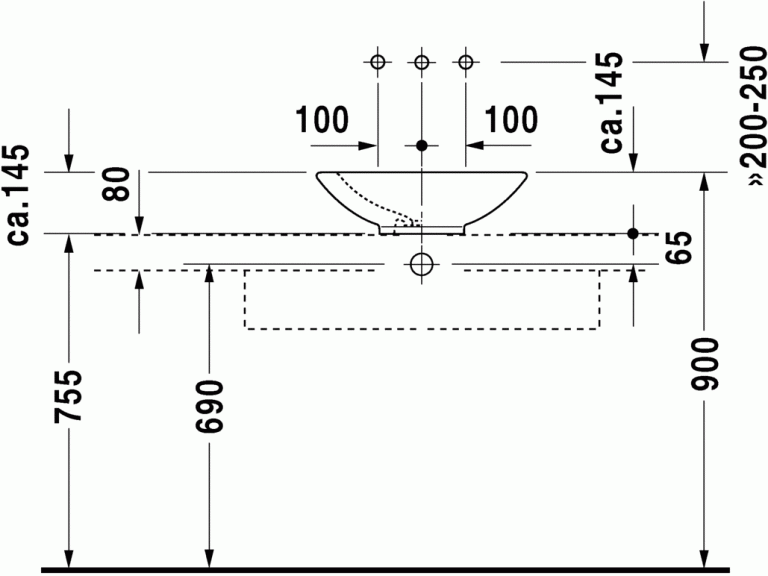
Bagnella

ohne Überlauf, ohne Hahnlochbank, Chromring inklusive, Befestigung inklusive

Größe:
Ø 400 mm
Ø 480 mm

Varianten:
Ohne Hahnloch

Ø 400 mm

Ø 480 mm