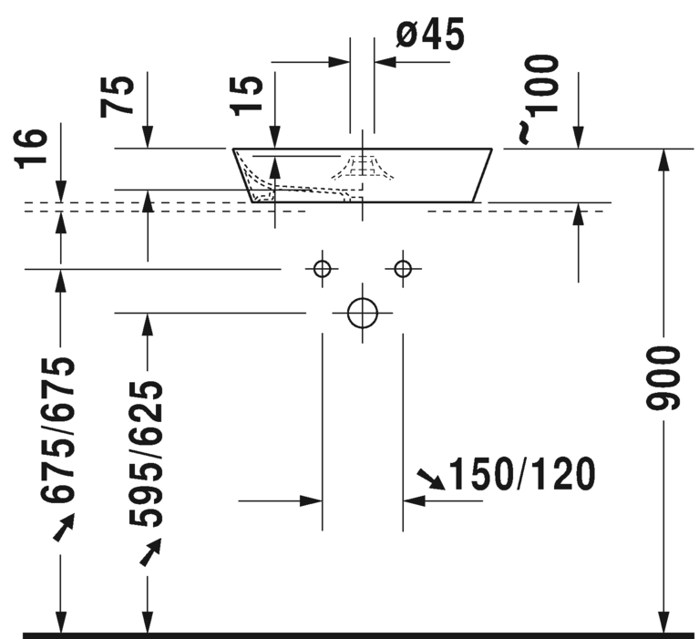
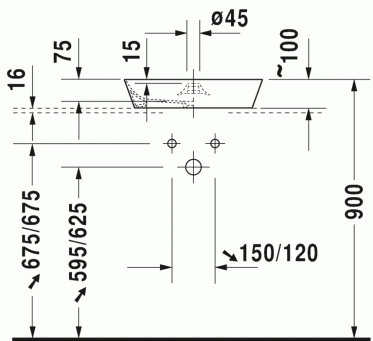
mit Armatureninsel, ohne Überlauf
Größe:ø 480 mm
Varianten:Innenfarbe Weiß, Außenfarbe Weiß 1 Hahnloch durchgestochen
© Schmoock Design