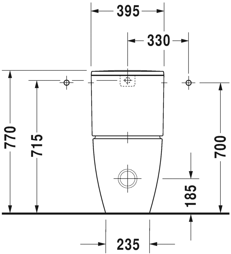
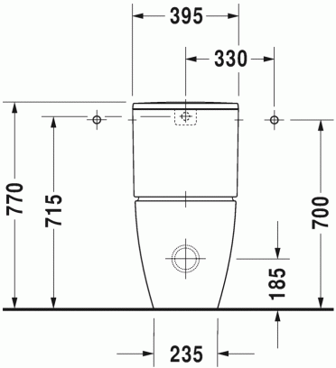
ME by Starck Kombination

für aufgesetzten Spülkasten (ohne Spülkasten), Tiefspüler, Befestigung inklusive, EWL Klasse 1

Größe:
370 x 650 mm

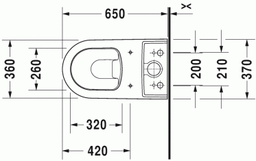
Varianten:
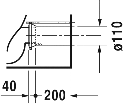
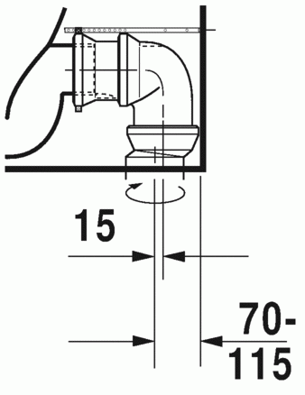
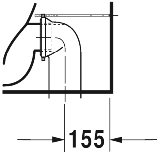
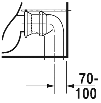
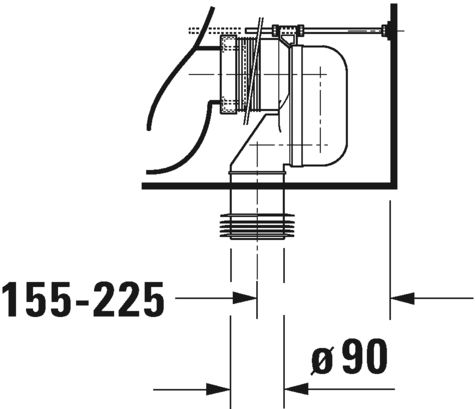
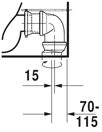
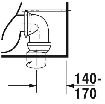
4,5 L, Abgang für Vario-Anschluss-Set, Abgang waagrecht und senkrecht von 70 - 170 mm, Länge verstellbar, sowie Vario-Abalufbogen, Abgang senkrecht von 155 - 225 mm

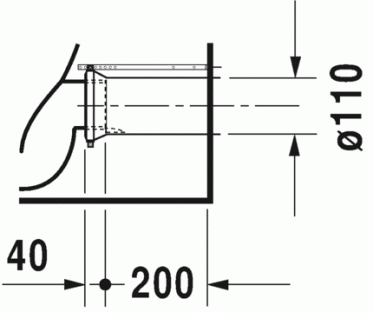
Anschlußsituationen